 
  在污水處理廠,污水曝氣風機所占的能耗占到總能耗的一半左右,選擇合適的曝氣風機在企業節約運行成本中占著至關重要的作用。
污水處理風機基本上有以下四大類:
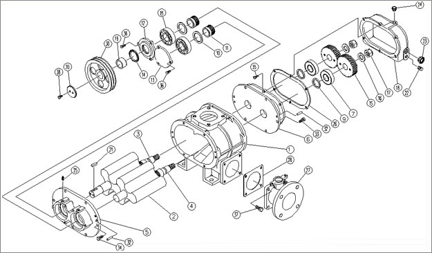
羅茨鼓風機、多級離心風機、單級高速離心風機和磁(空氣)懸浮風機。今天豐源羅茨鼓風機廠家著重說一下三葉羅茨風機工作原理。
羅茨鼓風機利用兩份葉形轉子或三個葉形轉子在氣缸內做相對運動來輸送氣體。
羅茨鼓風機結構簡單運行平穩、可靠、機械功率高,便于維護和保養;當壓力在一定范圍內變化時,轉速不變,則流量為一常數;運行時適應性強,在流量要求穩定而阻力變化幅度較大時,可以自動調節。其最大的特點是使用時當壓力在允許范圍內加以調節時流量之變動甚微,壓力選擇范圍很寬,功率隨著壓力的增高而增加。具有強制輸氣的特點。輸送時介質不含油。使用壽命長、整機振動小。但噪聲大,存在潤滑油向氣缸滲漏的缺點。

下一篇:三葉羅茨風機葉輪刮擦的原因及處理