 
  三葉羅茨鼓風機雖然原理、結構簡單,性能穩定,便于管理和維護。但是,鼓風機的安全運行和使用壽命,最終還是取決于對設備的正常使用和規范的維護保養,必須加強設備的三級巡視檢查制度,發現異常或故障隱患及時處理,確保風機的安全、可靠,穩定運行。
首先,羅茨鼓風機必須在空載情況下進行起動,開機前將風機的進氣、排氣閥門全部打開,起動正常后逐步調節閥門,使風量達到需要值,不允許一次即調節到額定風量。羅茨鼓風機不應在滿負荷運行的情況下突然停機,必須逐步減少風量后再停機,以免損壞風機。

正常運行過程中,崗位人員每班應定時進行巡視檢查,重點是檢查各部位的螺栓是否有松動、潤滑部位是否有滲漏油現象,兩端軸承溫度和風機殼體溫度是否正常等,做好各項巡檢記錄。定期檢查羅茨鼓風機潤滑和冷卻系統,注意潤滑油的質量,仔細傾聽鼓風機運行是否有雜音,以判斷轉子軸和葉輪的運行情況。
其次,羅茨鼓風機的過載或異常運行是逐漸反映出來的,有一個量變的過程,要隨時注意風機的進氣、排氣壓力,軸承的溫升情況以及風機電動機的運行負荷電流。若上述參數發生波動,就要對風機進行全面的診斷檢查,并及時處理,避免故障的進一步擴大。
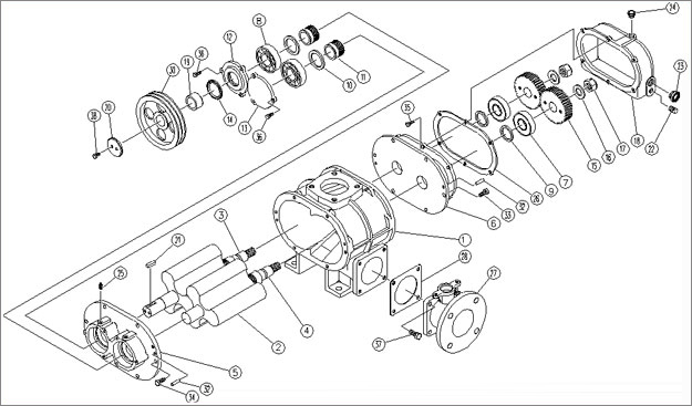
每年定期對鼓風機進行一次大修,及時檢查、調整葉輪和葉輪、葉輪和殼體、葉輪和墻板之間的間隙,若間隙超出了允許的范圍,應由有經驗的檢修人員進行調整,禁止隨意亂調整,確保風機的額定供風量,確保風機的安全運行,最大限度地延長風機的使用壽命。

上一篇:羅茨鼓風機出口壓力影響因素的分析
下一篇:三葉羅茨鼓風機操作規程注意事項: