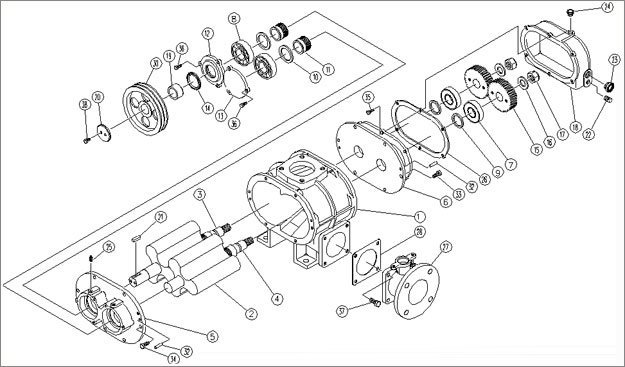
羅茨風機是容積式風機,輸送的風量與轉速成比例,三葉型葉輪每轉一圈,用兩個葉輪進行三次吸排氣。與二葉型相比,氣體脈動性小,振動也小,噪聲低。風機兩根軸上的葉輪和橢圓形外殼的內孔面。
葉輪端面與風機前后端蓋之間和風機葉輪之間始終保持微小間隙,在同步齒輪牽引的下風處從風機進氣口沿殼體內壁向排出側輸送。風機內腔不需要潤滑油,結構簡單,工作穩定,功能穩定,習慣多種用途,已應用于廣泛范疇。
羅茨風機的特性是采用三葉轉子結構形式和合理的箱體內進氣口結構,風機振動小、噪聲低,葉輪和軸整體結構,且無葉輪磨損,風機功能持久不變,可長期連續工作。
風機容積利用率大,容積效率高,且結構緊湊,裝置方式靈活多樣。軸承選型合理,各軸承運用壽命均勻,延長了風機壽命!風機密封選用進口氟橡膠資料,耐高溫、耐磨、使用壽命長,能滿足不同用戶不同用途的需要。

上一篇:羅茨鼓風機各部件結構講解
下一篇:羅茨風機的使用條件有哪些?